9月1日,贵州省能源局发布关于支持煤矿大力实施装备技术升级提升安全生产能力的通知。其中奖补对象:贵州省行政区域内注册的煤矿企业在2025年1月1日—11月14日期间,实施装备技术升级采购的采煤机、液压支架、刮板机、运输巷转载机、综掘机、掘锚一体机、盾构机、支护台车、智能钻机、定向钻机、瓦斯抽采泵。
全文如下:
省能源局关于支持煤矿大力实施装备技术升级提升安全生产能力的通知
黔能源科技〔2025〕39号
各市(州)煤炭行业管理部门、各有关煤矿企业:
为贯彻落实省委省政府“富矿精开”决策部署,更好统筹我省煤炭工业高质量发展和高水平安全工作,支持和鼓励煤矿大力实施装备技术升级,改善煤矿井下安全生产作业环境,提升安全生产水平和效益,促进全省煤炭工业高质量发展,对2025年度实施装备技术升级的煤矿企业给予财政资金奖补支持。现将有关事项通知如下:
一、奖补对象
贵州省行政区域内注册的煤矿企业在2025年1月1日—11月14日期间,实施装备技术升级采购的采煤机、液压支架、刮板机、运输巷转载机、综掘机、掘锚一体机、盾构机、支护台车、智能钻机、定向钻机、瓦斯抽采泵。
二、奖补标准
(一)综采类设备。对煤矿企业新购进的采煤机、液压支架、刮板机(采面)、运输巷转载机按单台/套设备采购金额的20%进行奖补,其中采煤机奖补上限100万元/台、液压支架奖补上限800万元/套(支架数量大于190架按2套计算)、刮板机奖补上限100万元/台、运输巷转载机奖补上限60万元/台。
(二)综掘类设备。对煤矿企业新购进的综掘机、掘锚一体机、盾构机、支护台车按单台设备采购金额的20%进行奖补,其中综掘机奖补上限60万元/台、掘锚一体机奖补上限130万元/台、盾构机奖补上限600万元/台、支护台车奖补上限50万元/台。
(三)瓦斯治理类设备。对煤矿企业新购进的智能钻机、定向钻机、瓦斯抽采泵按单台设备采购金额的20%进行奖补,其中智能钻机奖补上限60万元/台、定向钻机奖补上限100万元/台、瓦斯抽采泵奖补上限25万元/台。
(四)本次奖补资金总额以省财政预算批复金额为准,原则上按照申报并通过省能源局审核时间的顺序分配奖补资金,预算金额执行完即止。
三、申报条件及程序
(一)申报条件
申报企业需满足以下条件:
1.2025年1月1日—11月14日期间签订设备采购合同,并按照采购合同金额支付货款达30%及以上。
2.未被列入信用中国“严重失信主体名单”。
(二)申报材料
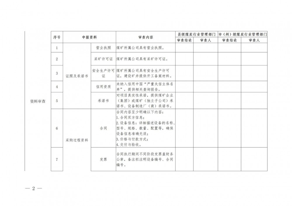
申报财政资金奖补的煤矿企业需提供如下资料:
1.证照类资料。营业执照、采矿许可证、安全生产许可证(建设矿井提交开工备案材料)。
2.信用资料。未被列入信用中国“严重失信主体名单”查询报告,煤矿企业、设备制造厂(商)承诺书(附件1)。
3.财政资金申请审批表(附件2)。经县、市两级煤炭行业管理部门审批合格并签字盖章。
4.采购资料。采购合同、设备款项增值税发票及付款凭证(通过融资或借贷等方式由第三方进行支付的,需提供与第三方合作关系佐证材料)、经双方盖章的设备交付清单、设备出厂合格证、运输发票、现场安装及调试合格报告、设备已列固定资产管理的财务凭据。
5.现场核实表(附件3)。经县级煤炭行业管理部门现场核实通过并签字盖章。
以上材料需提供签章齐全的纸质文档4份,省、市、县煤炭行业管理部门及申报单位各留1份。应采用A4版式胶装装订,扉页、目录页和正文采用普通A4纸。复印的支撑材料须端正、字迹清晰,可根据A4版式需要缩印或扩印,特别重要的支撑材料可采用彩色印刷。封面的纸质及色彩由资金申报单位统一确定,需在单位落款处盖章。按纸质版排列顺序,将全部内容扫描制作成一个PDF文件。
(三)申报时间
符合申报条件的煤矿企业、县级及市级煤炭行业管理部门须在2025年11月14日17:30前,通过“贵州省能源云”平台完成申报与审核工作,逾期将不再受理。
1.已完成设备交付的煤矿企业。应按“申报材料”要求,在申报时提供完整的申报材料,待审核通过后,按照采购金额的20%直接拨付财政奖补资金,后期无需进行清算。
2.未完成设备交付的煤矿企业。应按“申报材料”要求,在申报时提供证照类资料、信用资料、财政资金申请审批表、采购合同、设备款项增值税发票及付款凭证等申报材料,待审核通过后,在保障直接拨付资金分配的前提下,按照采购合同金额的20%预拨付财政奖补资金,后期需按照要求重新补齐申报资料并进行清算。
预拨付项目进行资金清算时,财政资金奖补金额不超过已预拨金额。
(四)申报程序
1.符合申报条件的煤矿企业按照属地管理原则,通过“贵州省能源云”平台向煤矿所属县级煤炭行业管理部门申请资料初审和设备现场核实。
2.经县级煤炭行业管理部门初审和现场核实通过后,由县级煤炭行业管理部门通过“贵州省能源云”平台报市级煤炭行业管理部门申请资料审查,市级煤炭行业管理部门按规定对县级煤炭行业管理部门上报的设备进行现场核实抽查。
3.经市级煤炭行业管理部门审查通过后,由市级煤炭行业管理部门通过“贵州省能源云”平台报省能源局终审,省能源局按规定对市级煤炭行业管理部门上报的设备进行现场核实抽查。
4.省能源局终审通过后,在“贵州省能源局”网站上对符合奖补的设备进行公示。
5.未完成设备交付申报时,各级煤炭行业管理部门暂不开展现场核实,待煤矿企业申请清算时按上述程序进行审查。
四、资金拨付
(一)拨付流程
经“贵州省能源局”网站公示无异议后,省能源局将按照财政资金管理规定拨付财政奖补资金。
(二)拨付方式
财政奖补资金拨付方式为:直接拨付和预拨后清算两种方式。
五、预拨资金清算
获得预拨财政奖补资金的煤矿企业,须于2026年4月30日前完成设备采购并补齐申报资料,逾期未完成或审核不通过的,将收回已拨付的奖补资金。
六、其他要求
(一)各级煤炭行业管理部门在开展财政资金申请审核过程中,应及时按照煤矿企业申报时间的先后顺序开展审核,严禁发生后报先审的行为。
(二)在申报财政资金奖补期内,因申报资料不全或不合格、缺失有关印证材料等原因,可补齐并完善后重新申报,申报时间以最后一次申报和通过审核时间为准。
(三)在申报财政资金奖补期内,被各级煤炭行业管理部门查出存在弄虚作假、恶意套取财政奖补资金等违法违规行为的煤矿企业,不得重新申报财政资金奖补。
(四)在申报和清算财政奖补资金全过程中,煤矿企业、设备生产厂(商)及有关个人等存在弄虚作假、恶意套取财政资金行为涉嫌犯罪的,将依法移送司法机关追究相应的法律责任。
七、保障措施
(一)加强组织实施。各级煤炭行业管理部门要深刻认识实施装备技术升级,提升安全生产能力的重要意义,完善工作机制,加强统筹协调,强化责任落实,积极组织和指导煤矿企业实施装备技术升级工作,并为煤矿企业申报和清算财政奖补资金提供便利条件或建立绿色通道。
(二)广泛宣传引导。各级煤炭行业管理部门要广泛开展煤矿实施装备技术升级工作宣传,通过多种渠道和形式,向煤炭企业、从业人员以及社会公众普及实施装备技术升级的重要意义、政策支持和实际效益。借助行业媒体、政府网站、微信公众号等平台,宣传煤矿企业实施装备技术升级的典型案例和成功经验,展示先进设备在提高生产效率、保障安全生产等方面的显著成效,激发企业实施装备技术升级的积极性和主动性。
(三)加强预拨项目进度监管。市、县两级煤炭行业管理部门要根据申报企业承诺完成交付时间,加强对获得预拨财政奖补资金的设备进度情况进行监管,定期调度交付进度,督促相关煤矿企业按期完成设备交付并申请清算。
(四)加强事后监督管理。各级煤炭行业管理部门要加强实施装备技术升级的事后监督管理,确保财政奖补的设备正常使用并发挥作用。2026年12月前,县级煤炭管理部门按照初次验收要求对获得财政奖补资金的煤矿企业的设备使用地点、维护情况等开展全覆盖复核,并将结果报送市级煤炭行业管理部门;市级煤炭行业管理部门按规定对县级煤炭管理部门复核情况进行抽查;省能源局按规定对全省财政奖补的设备进行抽查。各级煤炭行业管理部门在抽查中发现煤矿企业、设备生产厂(商)及有关个人等存在弄虚作假、恶意套取财政资金行为的,收回奖补资金;对涉嫌犯罪的,依法移送司法机关处理。
联系人及联系方式:科技处姜小兰、宋鑫,0851-86891226,86891738。
附件:1.承诺书.docx
2.2025年煤矿装备技术升级项目财政资金申请审批表.docx
3.2025年煤矿装备技术升级项目县、市、省级煤炭行业管理部门现场核实表.docx
2025年9月1日
















