能源圈获悉,近日,河北省发展和改革委员会发布关于做好新旧政策交替期内风电、光伏发电项目管理有关工作的通知。
内容指出,做好储备类项目管理。各市要按照“严格禁止增量、稳妥消化存量”的原则,进一步做好储备类项目管理,今后不再新增储备类项目。现有储备类项目不得变更建设地点、建设内容、投资主体及股权比例等项目信息,无法实施的按程序予以取消。
入库时已依法依规开展竞配,且前期进展较快的储备类的项目,可按程序申报纳入年度开发建设方案。因投资主体原因无法实施的,取消项目后,可按新谋划的无投资主体项目申报纳入年度开发建设方案。
内容还指出,统筹用好2025年度剩余计划指导规模。2025年度剩余的计划指导规模以及取消或调减项目结转的规模,由各市统筹使用,应结合储备类项目前期工作进展及新谋划项目情况组织项目申报。
已纳入年度开发建设方案的项目,如用地和电网接入条件未发生变化但因投资主体原因无法实施的,可按程序取消投资主体后按新谋划项目进行申报并在请示文及项目申报表中标注说明,保留项目选址坐标和电网接入空间,纳入全省竞配项目清单,按程序竞配后申报纳入年度开发建设方案,原投资主体及所属集团不得参与该项目竞配。
对于符合条件的储备类项目,要优先申报已完成用地预审、核准(备案)、建设用地批复等前期工作较为深入的项目,在市能源主管部门或市政府门户网站公示后,附项目入库时竞配过程、结果以及项目单位资质、征信等相关材料报送我委。我委将对项目竞配情况等进行严格审查,征求电网公司意见后,按程序纳入年度开发建设方案。
本批次项目应于2028年底前全容量建成并网,各市要会同电网企业研判项目接入与消纳条件,优先申报接入条件较好的新谋划项目和储备类项目。
电源侧储能配置工作方面指出,按照国家发展改革委、国家能源局《关于深化新能源上网电价市场化改革 促进新能源高质量发展的通知》(发改价格〔2025〕136号)要求,2025年2月9日以后批复的风电、光伏项目,不再强制要求配置储能,如自愿配置储能,可按电源侧储能办理审批手续,及时向同级能源主管部门报备,电网企业可在接入系统审查阶段对储能功率和时长提出调整意见。2025年2月9日以前批复的风电、光伏项目,如自愿增配储能,参照上述要求执行。
公告如下:

河北省发展和改革委员会关于做好新旧政策交替期内风电、光伏发电项目管理有关工作的通知
冀发改能源[2025]1232号
各市(含定州、辛集市)发展改革委(局),张家口市能源局,雄安新区改革发展局:
为进一步加强风电、光伏发电项目管理,提高资源配置效率,用足用好2025年度风电、光伏发电年度开发建设方案计划指导规模并做好政策衔接,现就有关事项通知如下:
一、做好储备类项目管理
(一)各市要按照“严格禁止增量、稳妥消化存量”的原则,进一步做好储备类项目管理,今后不再新增储备类项目。现有储备类项目不得变更建设地点、建设内容、投资主体及股权比例等项目信息,无法实施的按程序予以取消。
(二)各市要按照省统一要求,对纳入储备库时未竞配或未严格规范开展竞配的项目,以及前期工作进度较慢的项目,研究提出处置意见经公示后报送我委。
(三)入库时已依法依规开展竞配,且前期进展较快的储备类的项目,可按程序申报纳入年度开发建设方案。因投资主体原因无法实施的,取消项目后,可按新谋划的无投资主体项目申报纳入年度开发建设方案。
二、统筹用好2025年度剩余计划指导规模
2025年度剩余的计划指导规模以及取消或调减项目结转的规模,由各市统筹使用,应结合储备类项目前期工作进展及新谋划项目情况组织项目申报。
(一)对于新谋划项目,各市要抓紧组织细化选址布局,排除用地、用林、用草、机场限高、蓄滞洪区、压覆矿、文物、军事等限制性因素,明确项目类型、选址、规模等,确定项目建设方案(见附件1),不需明确投资主体,附市级自然资源、林草、农业(仅光伏项目提供)部门支持性意见(模板见附件2)后报送我委。我委将组织审核项目用地和电网接入条件,符合要求的纳入全省竞配清单并在网站发布,由各市竞配确定投资主体,公示后申报纳入年度开发建设方案。
(二)已纳入年度开发建设方案的项目,如用地和电网接入条件未发生变化但因投资主体原因无法实施的,可按程序取消投资主体后按新谋划项目进行申报并在请示文及项目申报表中标注说明,保留项目选址坐标和电网接入空间,纳入全省竞配项目清单,按程序竞配后申报纳入年度开发建设方案,原投资主体及所属集团不得参与该项目竞配。
(三)对于符合条件的储备类项目,要优先申报已完成用地预审、核准(备案)、建设用地批复等前期工作较为深入的项目,在市能源主管部门或市政府门户网站公示后,附项目入库时竞配过程、结果以及项目单位资质、征信等相关材料报送我委。我委将对项目竞配情况等进行严格审查,征求电网公司意见后,按程序纳入年度开发建设方案。
(四)本批次项目应于2028年底前全容量建成并网,各市要会同电网企业研判项目接入与消纳条件,优先申报接入条件较好的新谋划项目和储备类项目。请各市将项目申报请示文件、项目申报表及相关材料,于11月24日中午前报送我委。
三、关于电源侧储能配置工作
按照国家发展改革委、国家能源局《关于深化新能源上网电价市场化改革 促进新能源高质量发展的通知》(发改价格〔2025〕136号)要求,2025年2月9日以后批复的风电、光伏项目,不再强制要求配置储能,如自愿配置储能,可按电源侧储能办理审批手续,及时向同级能源主管部门报备,电网企业可在接入系统审查阶段对储能功率和时长提出调整意见。2025年2月9日以前批复的风电、光伏项目,如自愿增配储能,参照上述要求执行。
四、做好配套政策准备
(一)各市要进一步梳理已批复项目布局,结合风光资源普查成果,抓紧谋划项目,做好限制性因素排查工作,进一步落实项目选址,科学编制建设方案;统筹新谋划项目选址布局,避免出现县域内、县域间项目坐标互相冲突,与电网规划工程冲突,选址坐标不满足环保噪音要求、安全距离等问题。
(二)各市要会同电网企业,结合当地电网现状和规划情况,对新谋划及储备类项目逐个研究接入与消纳条件,确定项目建设时序。对满足建设时限要求的项目,优先申报纳入年度开发建设方案;对暂不满足建设时限要求的项目,结合风光规划目标,明确年度计划,推动相关电网工程纳规建设。
(三)做好竞配准备,各市要提前谋划组建竞配工作专班和专家库,研究竞配工作方案,结合地方发展实际,在符合国家和省有关政策的前提下,研究确定评分标准中各市自主明确得分项,并积极争取财政资金支持,为后续新谋划项目竞配工作顺利开展做好准备。
联系方式:0311—88600137 0311—88600512
nyjxnyc@hbdrc.gov.cn
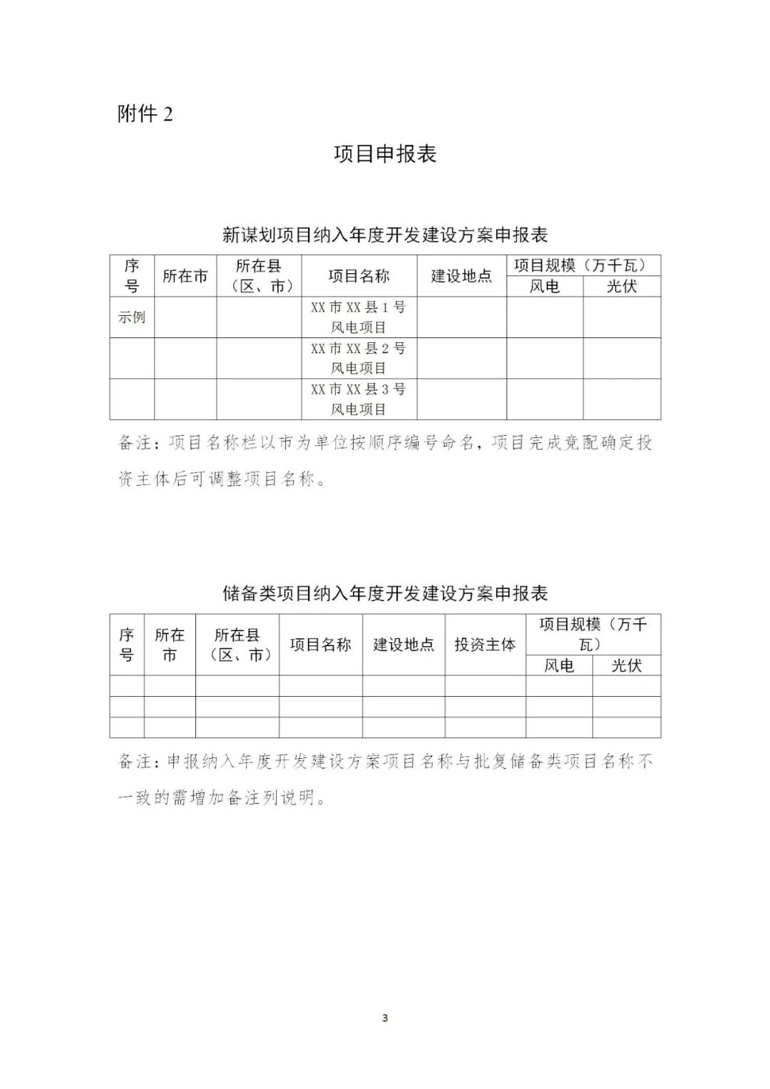
附件:1.新谋划项目建设方案大纲
2.项目申报表
3.项目用地意见模板
附件1-3.wps
河北省发展和改革委员会
2025年11月14日






来源:河北省发展和改革委员会




