能源圈获悉,8月25日,贵州省发展和改革委员会发布关于公开征求《贵州省关于深化新能源上网电价市场化改革实施方案(试行)》意见的公告。
公告显示,新能源项目报量报价参与现货市场的范围,按照贵州电力现货市场实施方案及细则执行。鼓励具备条件的新能源聚合后报量报价参与现货市场。其余作为价格接受者按所在节点直接参与实时市场结算。
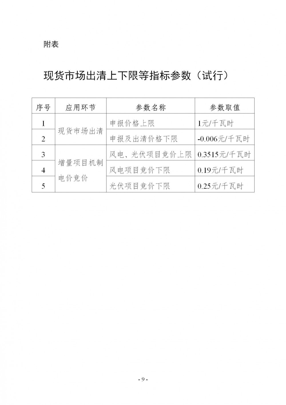
贵州省增量新能源项目机制电价竞价上下限分别为:风电:0.19~0.3515元/KWh;光伏:0.25~0.3515元/KWh。
存量项目:
项目范围,2025年6月1日(不含)以前投产的新能源项目。集中式风电、集中式光伏和分散式风电由能源主管部门负责确定名单,分布式光伏以项目的并网时间为准。2025年6月1日起,新能源项目只参与现货市场交易的,不影响其存量项目认定。
电量规模,妥善衔接现行具有保障性质的相关电量规模政策,110千伏以下项目机制电量比例为100%,110千伏及以上项目机制电量比例为80%,其可在此范围内自主确定执行机制的电量比例,次年纳入机制电量比例不得高于上一年水平。
机制电价,执行我省燃煤发电基准价0.3515元/千瓦时。
执行期限,达到全生命周期合理利用小时数或项目投产满20年后,不再执行机制电价。
增量项目:
项目范围,2025年6月1日(含)以后投产且未纳入机制电价的新能源增量项目。
电量规模,2025年首次竞价电量规模与2024年新能源非市场化比例适当衔接,按2025年6月1日至12月31日期间预计新建投产新能源上网电量的77%确定。此后,我省每年根据国家下达的年度非水电可再生能源电力消纳责任权重完成情况,以及用户承受能力等因素动态调整,并在竞价前予以公布。超出消纳责任权重的,次年纳入机制的电量规模可适当减少;未完成的,次年纳入机制的电量规模可适当增加。单个项目申请纳入机制的电量,不得超过其当期全部上网电量的90%。对于竞价周期内已签约的中长期交易电量、绿证电量,相应调减竞价申报比例上限。
竞价上下限,竞价上限综合考虑合理成本收益、绿色价值、电力市场供需形势、用户承受能力等因素确定,初期考虑成本因素、避免无序竞争等设定下限,具体见附表。
机制电价,新能源按同类型项目自愿参与竞价形成,竞价时按报价从低到高确定入选项目。机制电价原则上按入选项目最高报价确定,但不得超出竞价限价范围;价格相同时,按申报时间的先后顺序确定入选项目,直至满足竞价总规模。若入选的最后一个项目出清规模低于其申报电量规模50%时,则不予入选,且不再递补。
执行期限,增量新能源项目执行期限12年。
电网企业可通过市场化方式采购新能源电量作为代理购电来源,以报量不报价方式参与市场出清,代理购电产生的偏差电量按照现货市场价格结算。
新能源参与市场后因报价等因素未上网电量,不纳入新能源利用率统计与考核。纳入电力平衡的新能源按照系统运行需要公平承担调节责任。
公告如下:
关于公开征求《贵州省关于深化新能源上网电价市场化改革实施方案(试行)》意见的公告
为加快构建新型电力系统、健全绿色低碳发展机制,充分发挥市场在资源配置中的决定性作用,促进新能源高质量发展,根据《国家发展改革委 国家能源局关于深化新能源上网电价市场化改革促进新能源高质量发展的通知》(发改价格〔2025〕136号)要求,结合贵州实际,我委研究起草了《贵州省关于深化新能源上网电价市场化改革实施方案(试行)(征求意见稿)》,现面向社会公开征求意见。
此次公开征求意见的时间为2025年8月25日至9月5日。公众可通过以下途径和方式提出反馈意见:
1.登录贵州省发展改革委门户网站(https://fgw.guizhou.gov.cn/),进入“意见征集”专栏,提出意见建议。
2.将有关意见发送至电子邮件:jiageguanlichu@163.com。
感谢您的支持和参与!
附件:贵州省关于深化新能源上网电价市场化改革实施方案(试行)(征求意见稿).doc
贵州省发展和改革委员会
2025年8月25日









来源:贵州省发展和改革委员会



