全国13个省(市)峰谷价差超过0.7元/kWh,排名前三的分别为:广东、上海和浙江。
全国超过56%的区域峰谷价差较去年同期(2024年2月)峰谷价差下降。
2月24个省(市)不再执行尖峰电价,超过5成的区域峰谷价差环比上升。
日前,2025年2月全国各地公布电网企业代理购电价格。
了解到,2025年2月电网代购电价格中,全国峰谷价差最高的是珠三角五市,执行一般工商业单一制尖峰电价时,峰谷价差为1.3768元/kWh。
根据表格显示,2月全国超过47.2%的区域峰谷价差较上月峰谷价差下降,天津、广东、安徽、河南、四川、湖南、江苏、江西、山东、重庆、浙江、海南、贵州13个省市最大峰谷电价差超过0.7元/kWh以上。
一般工商业电价方面,除广东、河北、吉林、湖北、山东外,其余地区不再执行尖峰电价。

从电价差来看,一般工商业峰谷电价差最高的是珠三角五市,执行一般工商业单一制尖峰电价时,峰谷价差为1.3768元/kWh,其次是广东江门市单一制尖峰电价差为1.3701元/kWh。

大工商业电价方面,上海、天津、陕西、浙江公布了大工商业代理购电价格。

北京


上海


重庆

四川


天津
广东





浙江






江苏



安徽

河北


冀北



河南



湖北
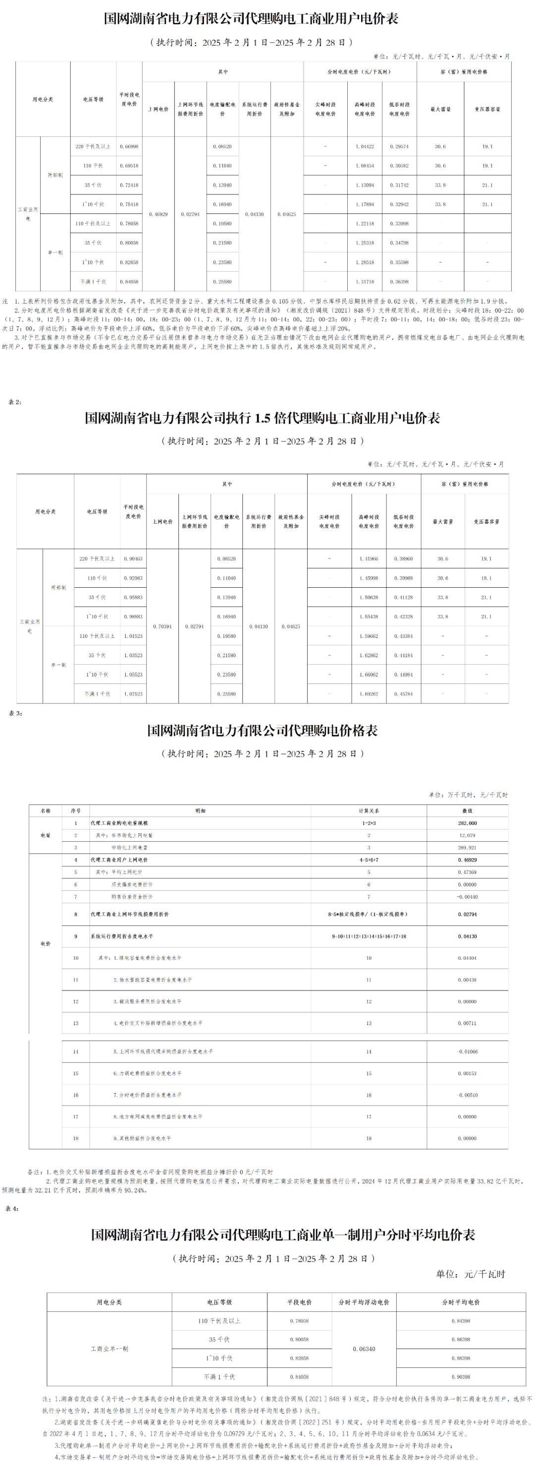
湖南
山西
山东
黑龙江

辽宁

吉林

内蒙古东部


江西

青海


宁夏

陕西


甘肃
新疆
广西


深圳


海南

云南





贵州




福建

参考资料:国家电网、南方电网
来源:风电头条





