3月6日,华北能源监管局征求《蒙西电力调频辅助服务交易实施细则》意见。《细则》提到,综合考虑独立储能电站对应时段出力上下限后确定其中标容量,单个储能单元中标容量不高于100MW,不低于20MW。
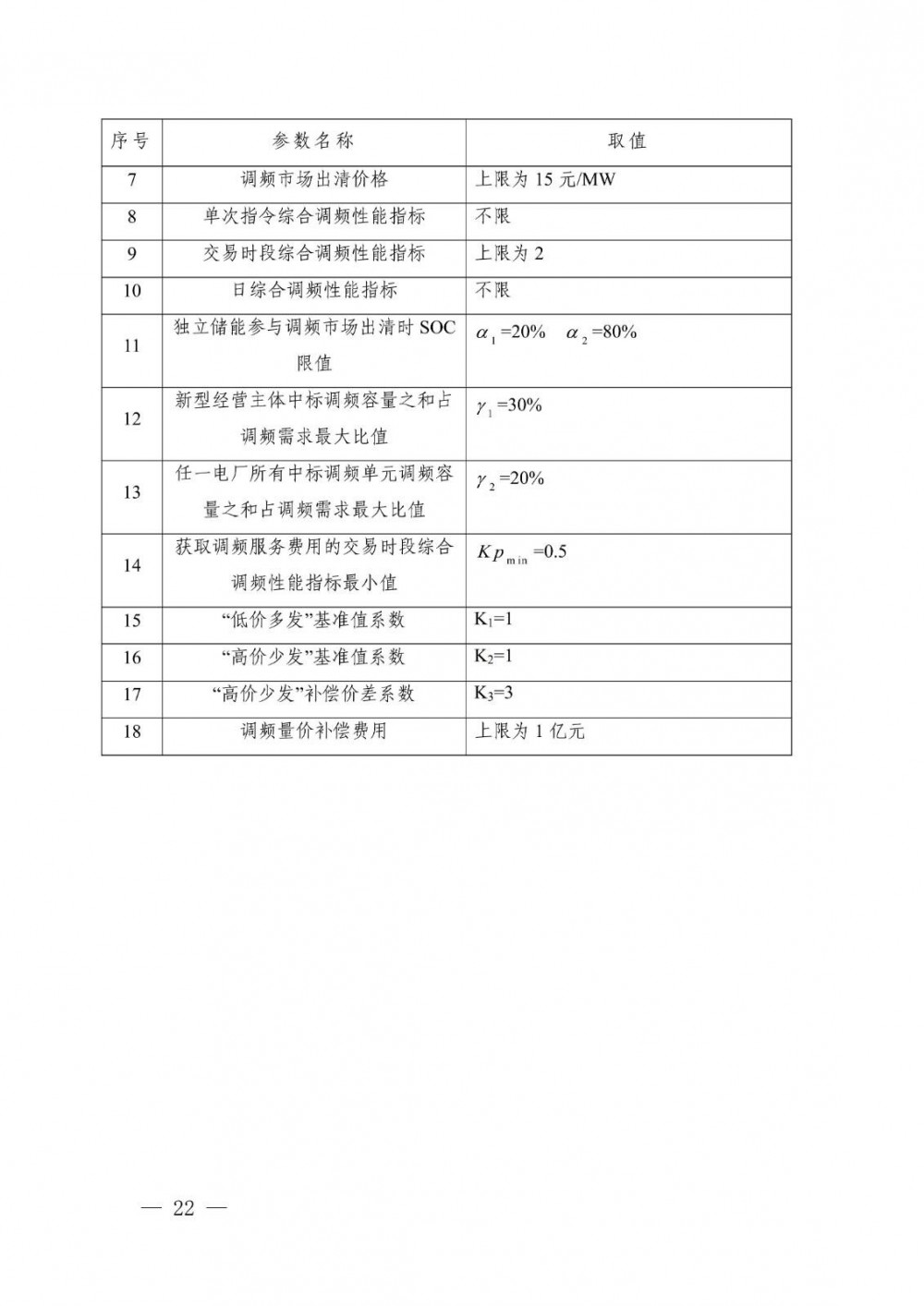
最后一个中标的APC单元调频里程排序价格为调频市场的统一出清价格,出清价格上限为15元/MW。
调频量价补偿在提供调频服务、APC正常投入的煤电机组和独立新型储能电站范围内开展。调频量价补偿费用包括煤电机组调频量价补偿费用与独立新型储能电站调频量价补偿费用。
调频量价补偿费用由省调直调公用煤电机组、风电场、光伏电站、独立新型储能电站按照月度上网电量比例进行分摊,扶贫项目不参与分摊。
调频里程价格的申报最小单位是0.1元/MW, 申报时段有20:00-次日8:00时段为2-15元/MW,其余时段为2-18元/MW。

独立新型储能电站除提交调频里程价格外,还需提交对应时段期望的运行状态(仅充电、仅放电、可充可放)和对应的出力上下限、该时段结束后期望达到的荷电状态(SOC)。
现阶段,独立新型储能电站可选择分时段申报参与现货电能量市场或参与调频辅助服务市场。选择参与调频辅助服务市场时,独立新型储能充/放电量按照现货电能量市场价格进行结算,具体结算方式见《内蒙古电力多边交易市场结算实施细则》。
市场经营主体包括发电企业、电力用户和新型经营主体(含独立储能电站、虚拟电厂等)。现阶段,提供调频辅助服务的经营主体为在电力交易平台完成注册,满足相关技术要求的内蒙古电网省调燃煤(含火储)机组、燃气机组、水电机组(含抽水蓄能机组)、独立新型储能电站等可调节资源。调频辅助服务提供主体以APC单元作为参与调频市场的交易单元。煤电(含火储)机组、燃气机组以单机作为调频单元。独立新型储能电站作为一个调频单元,装设厂级AGC的水电可选择全厂作为一个调频单元。

原文如下:
华北能源监管局关于征求“蒙西电力调频辅助服务交易实施细则”意见的函
内蒙古电力(集团)有限责任公司,相关市场主体:
为进一步深化蒙西电网电力调频辅助服务市场建设,充分运用市场手段引导各类市场主体参与电力调频辅助服务市场,保障电网安全可靠运行,我局修订完善了《蒙西电力调频辅助服务交易实施细则》(简称《规则》)。
现将《规则》网站公示,请有关单位研提意见,并于4月2日(星期四)17:00前将意见建议反馈至我局联系人邮箱。
联系人:吕梁俊超 010-88072971 lvljc@nea.gov.cn
附件:蒙西电力市场调频辅助服务交易实施细则.pdf
国家能源局华北监管局
2026年3月6日



























