日前,2026年2月全国各地公布电网企业代理购电价格。
2月,北京、上海、天津、福建、甘肃、黑龙江、吉林、辽宁、湖南、江苏、内蒙古、宁夏、青海、山西、陕西、重庆、广西、贵州、海南、新疆20地不再执行迎峰度夏期间的尖峰深谷电价,仅河北、山东、浙江执行深谷电价。

上海峰谷价差最大,为1.3231元/kWh,新疆、宁夏出现高峰段电价低于平段/谷段电价的情况,新疆峰谷价差为-0.0021元/kWh。共有天津、广东、安徽、河北、四川、湖南、山东、重庆、浙江、海南10个地区峰谷价差超过0.7元/kWh。

大工商业电价方面,上海、天津、陕西、浙江公布了大工商业代理购电价格。

2026年1月,山西、山东、贵州三地发布调整分时电价政策。
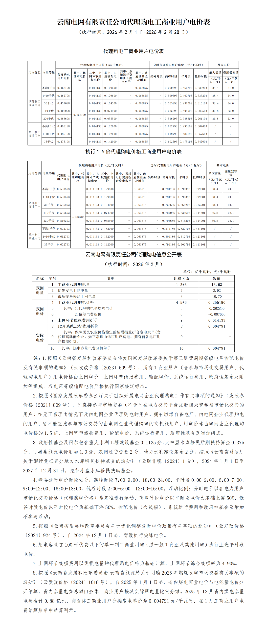
云南
1月20日,云南省发展和改革委员会关于进一步优化调整分时电价政策的通知发布。
自2026年3月1日起,除国家有专门规定的电气化铁路(含地铁)牵引用电外,由电网代理购电的大工业用户和用电容量在100千伏安及以上的一般工商业用户执行政府规定的分时电价,直接参与电力市场交易的用户不再执行政府规定的分时电价。
峰谷电价时段划分维持不变,尖峰电价暂缓执行:
高峰时段:7:00—9:00、18:00—24:00;
平时段:0:00—2:00、6:00—7:00、9:00—12:00、16:00—18:00;
低谷时段:2:00—6:00、12:00—16:00。

河南
1月20日,河南发改委公开征求《关于调整我省工商业分时电价峰谷浮动基数的通知(征求意见稿)》意见的公告。
公告显示,河南省直接参与电力市场交易的用户已不再执行工商业分时电价政策,为促进电力市场公平竞争,自本通知印发次月起,河南省电网企业代理购电用户执行工商业分时电价的,输配电价不再参与峰谷浮动,峰谷时段、浮动比例等其他事宜仍按照《河南省发展和改革委员会关于调整工商业分时电价有关事项的通知》(豫发改价管〔2024〕283号)规定执行。
据此前公布的《河南省发展和改革委员会关于调整工商业分时电价有关事项的通知》(豫发改价管〔2024〕283号),河南目前执行的峰谷时段为1月、2月、12月,高峰(含尖峰)时段16∶00至24∶00,其中尖峰时段为1月和12月的17∶00至19∶00;低谷时段0∶00至7∶00,其他时段为平段。
3—5月和9—11月,高峰时段16∶00至24∶00,低谷时段0∶00至6∶00、11∶00至14∶00,其他时段为平段。
6—8月,高峰(含尖峰)时段16∶00至24∶00,其中尖峰时段为7月和8月的20∶00至23∶00;低谷时段0∶00至7∶00,其他时段为平段。

贵州
1月22日,贵州省发展改革委发布《关于补充完善峰谷分时电价有关事项的通知》,其中提到,自2026年2月1日起,上网电价(交易电价或代理购电价格)、上网环节线损费用参与浮动,输配电价(包括输配电量电价和容/需量电价)、系统运行费用、政府性基金及附加不参与浮动。
自2026年3月1日起,根据国家电力市场化改革要求,对直接参与批发侧市场交易的两部制工商业用户,不再执行峰谷分时电价。对参与零售侧市场交易的两部制工商业用户,零售穿透部分用电量不再执行峰谷分时电价。
会议预告
随着国家批复多批次"沙戈荒"大基地项目,内蒙古积极响应政策,持续推进多个千万千瓦级"风光火储氢"一体化项目落地,新能源大基地在内蒙古迎来重大发展机遇。
内蒙古作为全国资源条件最优、可开发面积最广的核心区域,已获批6个国家级"沙戈荒"大型风电光伏基地,总规划装机达72吉瓦,根据《内蒙古光伏治沙行动实施方案》,到2030年光伏装机将增至89吉瓦。
为助力从业者精准把握行业趋势、抢占投资先机、对接市场需求,“2026沙戈荒清洁能源大基地(内蒙古)高质量发展论坛”将于4月8日在内蒙古呼和浩特盛大启幕!

欢迎扫码报名
此外,截至目前,国内已有11省发布相关文件,提及不再执行固定分时电价,其中山西、江苏处于征求意见阶段,各地政策节奏与落地方式不尽相同。

江苏



安徽

广东





山东
山西
北京


河北
冀北



浙江






上海


重庆

四川


黑龙江

辽宁

吉林

内蒙古东部
江西

湖北
湖南
青海


宁夏

陕西


天津
甘肃
新疆
广西


海南

贵州





云南
深圳

福建

参考资料:国家电网、南方电网
来源:能源圈





